多層線路板的層壓
2020-05-19 12:01:49
621
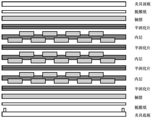
層壓前需根據設計和工藝要求將內層板、半固化片、外層銅箔等進行疊層,然后在加溫加壓條件下固化成型。圖1-2-19 為多層線路板的疊層示意圖。

圖1-2-19 多層板疊層示意圖
層壓周期是影響層壓質量的關鍵。一般,層壓全過程包括預壓、全壓和保壓冷卻3 個階段。層壓過程每個階段的溫度和壓力在材料相同的情況下,根據機型不同而要求不同,初次使用前必須仔細閱讀相應壓機的技術文件。
① 入模預壓。入模預壓之前壓機應先升溫,以保證入模后立即開始層壓。入模后施加的預壓壓力,大小一般由半固化片情況決定。當半同化片流動度降低時可適當加大預壓壓力。預壓時間受半固化片的特性、層壓溫度、緩沖紙厚度、線路板層數和印制板的大小影響。當半固化片流動指標低于 30%時,應縮短預壓時間,甚至直接進行全壓操作。由于預壓周期與半固化片的特性關系密切,預壓周期并非是一成不變的,必須通過試壓后,在對層壓好的多層線路板進行全面質檢的基礎上,對預壓周期進行適當的調整,方可正式投入生產。
② 施全壓及保溫保壓。預壓結束后,在保持溫度小變的前提下,轉為全壓操作,并按工藝參數要求進行保溫保壓。當半固化片流動度降低時,可適當加大全壓壓力,徹底完成排泡、填隙,保證厚度和最佳樹脂含量。
③ 降溫保全壓(冷壓)。全壓及保溫保壓操作結束后,可采用以下方式進行冷壓操作:停止壓機加熱,在保持壓力不變的條件下,使層壓板冷卻至室溫;將層壓板轉至冷壓機,進行冷壓操作。