集電極開路電路工作原理講解
在數字芯片設計、微控制器應用和運算放大器中,集電極開始輸出通常用于驅動繼電器等高負載或用于連接其他電路。
眾所周知,BJT是一個晶體管,有三個端子(發射極、基極和集電極),這些端子主要可以配置三種開關模式:共基極、共集電極和共發射極。
這篇文章主要是關于集電極開路電路的相關知識。
一、集電極開路是什么意思?
集電極開路是各種集成電路中常見的輸出。集電極開路就像一個接地或斷開的開關。除了將IC或任何其他晶體管的輸出連接到特定設備外,還連接到NPN晶體管的集電極開路的基極端子,NPN晶體管的發射極端子與接地引腳內部連接。
因此集電極開路的輸出視為NPN晶體管,它允許電流吸收到公共端。對于這樣集電極開路電路,必須有一個電源才能使輸出正常工作。當我們要求未連接任何電源時計算輸出電壓時,電壓不會發生變化。必須計算輸出端的電壓以了解集電極開路電路的正常運行。
該電路可以根據晶體管的類型(NPN或者PNP)提供灌電流或拉電流輸出。
1、當 NPN 晶體管工作在“高”狀態時,它向地提供灌電流;在“低”狀態時,輸出端將浮動,直到它通過上拉電阻連接到正電源電壓。
2、當 PNP 晶體管工作在“高”狀態時,它向地提供源電流;在“低”狀態時,輸出端將浮動,直到使用下拉電阻連接到地。
下圖是集電極開路邏輯圖。

集電極開路邏輯
二、集電極開路晶體管電路
1、NPN 集電極開路輸出
當 NPN 雙極晶體管在集電極開路(OC 或 o/c)配置下運行時,它在完全開啟或完全關閉之間運行,因此充當電子固態開關。
也就是說,在沒有施加基極偏置電壓的情況下,晶體管將完全關斷,而當施加合適的基極偏置電壓時,晶體管將完全導通。因此,當晶體管在其截止區 (OFF) 和飽和區 (ON) 之間運行時,它不會像在其有源區受控時那樣作為放大器件運行。
晶體管在截止和飽和之間的切換允許集電極開路輸出驅動外部連接負載的能力,這些負載需要比以前的共發射極配置所允許的更高的電壓和/或電流。唯一的限制是實際開關晶體管的最大允許電壓和/或電流值。
那么集電極開路輸出的優點是,任何輸出開關電壓都可以通過像以前一樣將集電極端子上拉到單個正電源,或者通過單獨的電源軌為負載供電來簡單地獲得。例如,想要驅動需要從 +5 伏邏輯門或 Arduino、Raspberry-Pi 輸出引腳的輸出提供 +12 伏電源的低電流燈或繼電器。
但其缺點是,當使用集電極開路輸出來切換數字信號、門電路或電子電路的輸入端時,由于三極管的集電極端沒有輸出驅動能力,一般需要外接上拉電阻。這是因為對于 NPN 晶體管,它只能在通電時將輸出拉低至地 (0V),而在處于關斷狀態時無法返回或將其再次推回高電平。
當斷電時,必須使用連接在其集電極端子和電源電壓之間的外部“上拉電阻”將輸出再次拉高,以阻止集電極開路端子在高電平 (+V) 和低電平之間浮動 ( 0V) 當晶體管關閉時。
此上拉電阻的值并不重要,在某種程度上取決于輸出端所需的負載電流值,電阻值的范圍通常為幾百到幾千歐姆。因此,對于 NPN 雙極晶體管,其集電極開路輸出僅為電流吸收輸出。
下面為集電極開路晶體管電路。

集電極開路開關電路
上圖顯示了集電極開路開關電路的典型布置,該電路可用于驅動機電型設備以及許多其他開關應用。NPN晶體管基極驅動電路可以是任何合適的模擬或數字電路。晶體管的集電極連接到要切換的負載,晶體管的發射極端子直接接地。
對于 NPN 型集電極開路輸出,當控制信號施加到晶體管的基極時,它會導通,并且連接到集電極端子的輸出通過現在導通的晶體管結點被下拉到地電位連接的負載并將其打開。因此,晶體管開關并傳遞負載電流 I L,其使用歐姆定律確定為:
負載電流,Iload= 負載電壓 / 負載電阻
當晶體管正基極驅動被移除(關閉)時,NPN 晶體管停止導通,負載(可能是繼電器線圈、螺線管、小型直流電機、燈等)斷電并關閉。然后輸出晶體管可用于控制外部連接的負載,因為 NPN 晶體管集電極開路的電流吸收開關動作可作為開路 (OFF) 或短路 (ON)。
這里的優點是集電極負載不需要連接到與晶體管驅動電路相同的電壓電位,因為它可以使用較低或較高的電壓電位,例如 12 伏或 30 伏直流電。
同樣簡單的數字或模擬電路也可用于通過簡單地改變輸出晶體管來切換許多不同的負載。例如,10mA 時為 6 VDC(2N3904 晶體管),或 3 安培時為 40 VDC(2N3506 晶體管),甚至使用集電極開路達林頓晶體管。
2、集電極開路輸出示例 No1
在這個電路中需要來自 Arduino 板的 +5 伏數字輸出引腳來驅動機電繼電器。如果繼電器線圈的額定電壓為 12 VDC、100Ω,并且在其集電極開路配置中使用的 NPN 晶體管的直流電流增益 (Beta) 值為 50,則計算操作繼電器線圈所需的基極電阻。
通過線圈的電流可以使用歐姆定律計算為:I = V/R

集電極開路計算公式
因此,對于直流電流增益為 50 的 NPN 晶體管,需要 2.4mA 的基極電流,忽略約 0.2 伏的集電極-發射極飽和電壓 (V CE(sat) )。回想一下,晶體管的直流電流增益是指產生集電極電流需要多少基極電流。
當晶體管完全導通時,基極-發射極結 (V BE )兩端的壓降將為 0.7 伏。因此,所需的基極電阻 R B的值計算如下:

集電極開路計算公式
3、集電極開路工作原理
在集電極開路邏輯中,輸出要么接地,要么保持開路(斷開)。當輸出接地時,輸出端電壓為0伏;當輸出開路時,輸出電壓等于電源電壓。

集電極開路工作原理
雖然 NPN 集電極開路晶體管電路產生“電流吸收”輸出,即 NPN 晶體管集電極開路端子會將電流吸收到地 (0V),PNP 型晶體管也可用于集電極開路配置以產生所謂的“電流源”輸出。
4、PNP 集電極開路輸出
上面我們已經看到,集電極開路輸出的主要特點是負載信號在完全導通時通過 NPN 雙極晶體管的開關動作主動“下拉”到地電平,在關斷時再次被動拉回產生電流吸收輸出。
但是我們可以創建相反的開關條件,方法是使用 PNP 雙極晶體管的集電極開路輸出主動將其輸出切換到電源軌,并使用外部連接的“下拉”電阻器在關斷時再次將輸出被動拉低。
對于 PNP 型集電極開路輸出,晶體管只能將輸出高電平切換到電源軌,因此其輸出端必須通過外部連接的“下拉”電阻再次被動拉低,如下圖所示。
下圖為集電極開路 PNP 晶體管電路:

集電極開路 PNP 晶體管電路
然后我們可以看到,NPN 型或 PNP 型集電極開路輸出配置只能在 ON 時主動將其輸出拉低至地,或拉高至電源軌(取決于晶體管類型),但其集電極端必須拉高如果連接的負載無法做到這一點,則通過使用連接到其輸出端子的上拉或下拉電阻被動地向上或向下。所用輸出晶體管的類型及其開關動作會產生電流吸收或電流源條件。
除了在集電極開路配置中使用雙極晶體管外,還可以在其開源配置中使用 n 溝道和 p 溝道增強型 MOSFET 或 IGBT。
與雙極結型晶體管 (BJT) 需要基極電流來驅動晶體管進入飽和狀態不同,常開(增強型)MOSFET 需要在其柵極 (G) 端子上施加合適的電壓。MOSFET 的源極 (S) 端子直接連接到地或電源軌,而開漏 (D) 端子連接到外部負載。
將 MOSFET(或 IGBT)用作漏極開路(OD)器件時,在驅動功率負載或連接到更高電壓電源的負載時,遵循與集電極開路輸出(OC)相同的要求,因為使用上拉或下拉電阻適用。唯一的區別是 MOSFET 通道熱功率額定值和靜態電壓保護。
5、開漏增強 MOSFET 配置

三、集電極開路電路--TTL 門
當晶體管 Tc 從圖騰柱配置中移除時,就會形成集電極開路 TTL 柵極。通過在下圖中的輸出端子P和Q之間使用上拉電阻,可以將TTL與非門轉換為與門。

集電極開路電路--TTL 門
集電極開路與非門
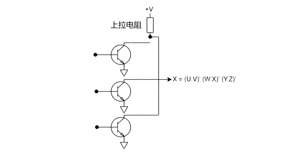
使用集電極開路邏輯門,可以開發有線 AND 和有線OR 門。在下圖中,多個與門在集電極開路 TTL 門的幫助下進行與運算,結果顯示為接線與。這是因為 AND 是通過對所有輸出進行與運算而產生的,可以表示如下:
X = (UV)' (WX)' (YZ)'
當所有 NAND 門的集電極端子都為輸出晶體管短路時,這將執行 ANDing 操作。通過這種有線或連接也可以通過德摩根原理得到,方程為
X = (UV + WX + YZ)'
在下圖中,上拉電阻值是通過每個輸出晶體管允許流過集電極端子的最大電流值已知的。

使用 TTL 與非門的有線與或
四、集電極開路輸出接線圖
集電極開路電路通常用于電壓比較器。很少有電壓比較器芯片是LM339、LM393和LM311,它們都作為集電極開路器件工作。
當在輸出端連接任何設備時,輸出設備應連接到能夠驅動負載的正電壓源。
例如:當輸出設備為 12V 直流電機時,則輸出應接+12V。然后,負載的負極和接地端子連接到驅動電機的設備的輸出。
當LM311芯片需要接一個12V直流電機時,配置如下:

集電極開路輸出的LM311芯片
五、集電極開路的作用
集電極開路邏輯是一種輸出信號為漏極開路的邏輯。這意味著輸出可以吸收電流,但不能提供電流。集電極開路邏輯通常用于多個設備需要共享一條公共信號線的情況。
改進的系統性能
較低的電容
更大的負載可以連接到收集器而沒有交叉擊穿的危險
集電極開路輸出對電磁干擾相對不敏感
多個集電極開路輸出可以連接在一起以創建邏輯或功能。例如,如果需要一個具有兩個輸入的 OR 函數,可以將這些輸出中的一個連接到 A,將另一個連接到 B。如果試圖找出哪個是的系統的更好選擇,這將很有用,例如, 是否使用 A 型或 B 型電機。
開漏輸出在未驅動時具有高阻抗,因此非常適合用作狀態指示器。集電極開路邏輯的缺點之一是需要高電壓才能關閉電路。
集電極開路輸出不能提供電流,因此不可能從單個集電極開路輸出驅動多個負載。設備的最大電壓輸出受驅動設備的VOH(高電壓)限制。例如,如果集電極開路由 5V 設備驅動,則可以施加到負載的最大電壓將為 5V。
六、集電極開路優缺點
1、優點
集電極開路邏輯的主要優點是它很容易與其他數字設備連接。集電極開路設計也不會像其他數字設計那樣受到串擾或噪聲的影響。然而,集電極開路邏輯的缺點是它不如其他數字邏輯設計快。集電極開路是某些集成電路 (IC) 上的一種輸出類型,它無法吸收與標準輸出一樣多的電流。當用作輸入時,集電極開路給出與開關相同的結果:它可以是 ON 或 OFF。使用集電極開路輸出的優點是它可以連接到其他集電極開路作品以創建線或連接。
集電極開路邏輯的主要優點是:
可用于在多個輸出之間創建線或連接。
集電極開路輸出可以吸收比標準輸出更多的電流,使其成為驅動 LED 和其他低電流設備的理想選擇。
集電極開路邏輯通常用于需要考慮電氣干擾 (EMI) 的應用中,因為輸出和地之間沒有內部連接可減少產生的 EMI 量。
2、缺點:
使用集電極開路邏輯時,主要缺點之一是可能存在競爭。當兩個或多個設備試圖同時將輸出拉低時,就會發生這種情況。為了避免這種情況,必須使用適當的設計和布局技術。另一個缺點是集電極開路輸出只能吸收電流,不能提供電流。這意味著如果需要驅動高電平信號,就必須使用外部上拉電阻。