這6種ESD保護方法,經常在PCB布局中使用!
一、什么是ESD?
ESD代表靜電放電。許多材料可以導電并積累電荷。ESD 是由于摩擦帶電(材料之間的摩擦)或靜電感應而發生的。每當發生這種情況時,物體都會在其表面形成固定電荷(靜電)。當這個物體放置得太靠近另一個帶電物體或材料時,電壓差會導致電流在它們之間流動,直到恢復電荷平衡。
因此,可以將靜電放電定義為兩種帶電材料或物體之間由接觸、短路或電介質擊穿引起的瞬時電流流動。

對于消費類產品,ESD 和空氣中的介質擊穿通常發生在兩點之間的電場大于 40 kV/cm 時。氣壓、溫度和濕度等因素會影響電場強度。例如,某些環境中的高濕度會導致空氣更具導電性,這會耗散一些電荷并增加 ESD 所需的電壓。
二、ESD如何影響PCB?
靜電在生活中比較常見,但是靜電荷的電壓可以達到幾千伏,可以對元件造成很大的危害。
當這個電壓差足夠大時,就會有電流的傳導路徑,從而產生巨大的電流脈沖。隨著電流脈沖的發展,高熱量會在 PCB 本身的元件和導體內消散。在極端場強和產生的電流下,PCB 可能會損壞,組件可能會被毀壞。
這種散熱基本上是 IR 壓降,其中 PCB 中元件的自然直流電阻會產生壓降并達到高溫。ESD 可能發生在 PCB 上的一些常見位置,因此 PCB 中的 ESD 保護應重點放在某些特定區域。如下例如:
1、集成電路中的ESD
ESD 脈沖會導致電流流過集成電路上的管芯,產生會損壞組件的高熱。下面顯示了集成電路封裝的示例和半導體芯片上的走線。

集成電路封裝(左)和管芯(右)上的極端 ESD 損壞
尤其是現在很多芯片都是使用光刻特性制造的,不能承受高壓降,雖然說可能只是高于工作電壓的DC值,也會對芯片造成影響。
2、連接器中的ESD
連接器本身不是ESD源,但是在上面積聚的靜電荷都可能導致ESD。有人插入芯片,拔出電纜或者按下按鈕都會給設備帶來靜電風險。由于浮動導體上靜電荷傳遞,浮動引腳可能會產生ESD。最后當連接器插入插座時,可能會產生ESD,從而產生火花。
連接器上的金屬護罩和浮動引腳是某些消費和工業產品中發生 ESD 事件的常見位置。

連接器上的金屬護罩和浮動引腳是某些消費和工業產品中發生 ESD 事件的常見位置
處理浮動引腳的簡單解決方案是將它們接地。屏蔽連接器還應具有連接到機箱的接地屏蔽層,并最終連接到大地。應該是直接連接到底盤的低阻抗連接,不通過電容提供此連接,也不通過 PCB 將 ESD 電流路由到地。
PCB 設計的幾乎每個元素(走線、布線、層、電子元件放置和間距)都會影響電路板上的 PCB ESD 保護。因此必須在設計早期就考慮到ESD保護電路。
三、ESD保護電路設計
1、TVS 二極管和二極管電路
TVS 二極管保護電路是非工業低電壓設置中最常見的電路之一。與嵌入在電源管理 IC 或微控制器中的其他 ESD 保護元件相比,TVS 浪涌二極管保護器可以提供更高的電壓抑制,如下例所示。
下圖為ESD 保護電路示例,該電路由差分 I/O 上的并聯 TVS 二極管組成。

ESD 保護電路示例
1)典型的電壓鉗位二極管電路
典型的電壓鉗位二極管電路如下所示。該電壓鉗位電路主要是限制緩沖器輸入端的電壓累積。
在正常情況下,二極管 D1 和 D2 是反向偏置的,只要輸入端的電壓大于電源軌電壓,二極管 D1 就會正向偏置并導通。類似地,當輸入電壓低于地時,二極管 D2 正向偏置并從地向輸入導通。
下圖為單端緩沖器 I/O 上的 ESD 保護電路中使用的齊納二極管。

單端緩沖器 I/O 上的 ESD 保護電路中使用的齊納二極管
上述電路可以使用一些具有高反向偏置擊穿電壓的簡單二極管(例如齊納二極管),或者并聯或背靠背配置組合的TVS二極管。用于確定使用哪種類型二極管的主要因素是擊穿電壓和正向電流。
TVS 二極管分為兩種類型,兩種類型的 TVS 二極管都在正常工作條件下充當開路,并且在發生 ESD 浪涌時充當接地短路。
2)單向瞬態抑制二極管
用于 ESD 保護的單向 TVS 浪涌二極管如下所示。TVS 二極管不一定是簡單的齊納二極管,也可以是專門作為 TVS 二極管銷售的組件,如下圖所示。
下圖為受保護組件電源軌上的單向 TVS 抑制二極管。

受保護組件電源軌上的單向 TVS 抑制二極管
在 ESD的正周期期間,該二極管變為反向偏置并以雪崩模式運行,導致 ESD 電流從輸入端流向地。在負周期期間,此 TVS 二極管變為正向偏置并傳導 ESD 電流。
單向 TVS 二極管保護電路免受 ESD 影響的方式:通過阻止或允許 ESD 電流流動,具體取決于其極性。
3)雙向瞬態抑制二極管
下圖顯示了雙向 TVS 浪涌二極管保護 ESD 敏感元件的典型用法。這里只是一個簡單的布置,如果需要額外的電流限制,可以添加一個額外的電阻。
下圖為受保護組件電源軌上的雙向 TVS 抑制二極管。

受保護組件電源軌上的雙向 TVS 抑制二極管
在瞬態 ESD 的正周期期間,兩個二極管中的一個正向偏置,另一個反向偏置,這意味著一個二極管由于其正向偏置而導通,而另一個二極管則以雪崩模式工作。通過這種方式,兩個二極管都形成了一條從 ESD 源通向地的路徑。在負 ESD 循環期間,二極管交換它們的模式,再次創建通路并且電路保持受保護。
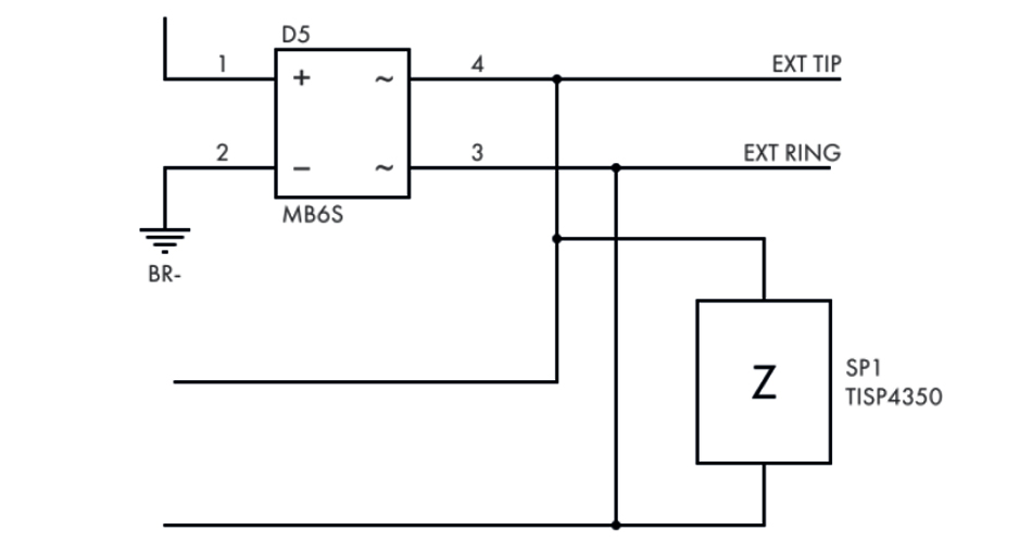
2、使用 TISP4350 過壓保護器代替 TVS 二極管
這種電路專為電信線路上的過壓而設計。與 TVS 二極管陣列相比,TISP4 針對 ESD 事件和其他來源的過壓事件提供了某種程度的通用保護。

使用 TISP4350 過壓保護器代替 TVS 二極管
保護裝置的選擇取決于許多因素。不同的型號和類型針對不同的電壓范圍、工作電壓、事件持續時間、響應時間等而設計。
3、其他 ESD 抑制器組件
除以上介紹的外,還有其他幾種 ESD 抑制器組件,例如多層變阻、氣體放電管和基于聚合物的抑制器。ESD 抑制組件用于將 ESD 電壓降低到特定限值以下,從而保護電路或組件組。
抑制器組件或電路并聯到易受攻擊的線路,將低 ESD 電壓保持在一定限度內,并將主要的 ESD 電流分流到地。一般來說都可以datasheet上找到相關的電路示例。
4、具體案例:氣體放電管 + TVS 二極管
處理高電壓的一種策略是使用與 TVS 二極管和電感并聯的氣體放電管。電感和 TVS 二極管就像一個低通 RL 電路,提供額外的濾波并減慢 ESD 脈沖的上升時間。
下面這個電路基本上是一個具有大時間常數的低通濾波器,因此該電路將允許標稱直流電壓通過,同時為通過放電管的 ESD 電流提供高阻抗。輸入端的保險絲提供了針對大 ESD 電壓的額外保護。
下圖為采用TVS二極管和氣體放電管的ESD保護電路設計。

采用TVS二極管和氣體放電管的ESD保護電路設計
四、PCB布局中的ESD保護
1、優化 TVS 周圍的阻抗
所有 PCB 元件和走線都有寄生電感。在典型的保護方案中,有四個:ESD 源 和 TVS 陣列之間的電感(L1 和 L2)、TVS 和地之間的電感(L3)以及 TVS 和受保護集成電路之間的電感.。
只有當 L4 大于 L1-3 時,ESD 電流才能被強制接地。

優化 TVS 周圍的阻抗
下圖顯示了一個項目的PCB布局。從下圖中可以看出來,PCB的這一部分有一個USB端口,為了保護 FT231X UART (U1),我們在它和端口之間的路徑上放置了一個 USBLC6-4SC6 ESD 抑制器 (U2)。

PCB ESD保護布局
這里有2點需要注意:
抑制器 (U2) 放置在靠近 ESD 源(USB 端口)的位置,電感 L4 變得比 L1 大得多,這迫使 ESD 電流流向 TVS。
抑制器直接放置在從 ESD 源到受保護 IC 的路徑上,從而完全移除 L2。
2、限制靜電放電的 EMI
ESD 產生強電壓脈沖,可對附近的其他信號線產生電磁干擾 (EMI)。輻射的主要來源位于 ESD 源和用作天線的抑制器之間。
如果可能,在設計上應該使抑制器區域遠離其他電路和未受保護的走線,否則它們會將 ESD 信號傳送到其他 IC。即使不考慮每條線路的電感,受保護線路和相鄰的未受保護線路也可以充當電容,從而允許電壓浪涌在兩條線路之間傳遞。下圖說明了 ESD 脈沖如何耦合到未受保護的線路:

ESD 耦合到附近的走線,因為這兩條走線就像一個電容
限制 EMI 的另一種方法是使用直線和短路徑,因為拐角會輻射 EMI。在這種情況下,使用直線是不可能的。相反,我們使用了 45° 彎曲。

PCB ESD保護電路布局
3、正確使用VIA
在多層 PCB 中,過孔可以用作帶有寄生電感,減少不必要走線。下圖中,ESD源和受保護IC在同一層,而TVS在另一層,在這里,VIA 作為 L2 工作,導致 ESD 電流在 TVS 和 IC 之間分流,因此必須要避免這種布局。
在這種情況下,盡管 TVS 在其路徑上,但一部分 ESD 電流將流向受保護的 IC。

PCB 最差布局
理想情況下,ESD 源和 TVS 應該放在同一層,如下圖所示。這樣,ESD 電流先流過 TVS 保護引腳,然后再通過 VIA 流向受保護電路。在這種情況下,TVS 直接位于從 ESD 源到受保護電路的路徑上。

用于ESD保護的最佳PCB布局
在這個特殊的 PCB 設計中,ESD 源(USB 連接器)在兩個不同的層上有兩條走線。但是將ESD源和TVS放同一個水平面是不可能的,因此采用了一個可以接受的布局。
這里也可能會遇到一種相反的情況:TVS 和受保護的 IC 位于同一層,但 ESD 源(來自 USB 的兩條走線)位于不同的層。雖然如此,但這樣設計VIA也是正確的,因為TVS 保護引腳會在 ESD 電流流向 IC 之前接收它。

用于ESD保護的VIA布局
如果無法實現理想的布局,可接受的折中方案是按以下方式將 ESD 電流強制流向 TVS:雖然這種布線對于 ESD 保護來說并不完美,但如果沒有其他選擇,也可以采用這個方式。

使用VIAS妥協路由
4、放置ESD 抑制器
選擇與電路電氣特性兼容的 ESD 抑制器后,下一個需要考慮的是放在哪里。放置時應使 IC 在發生 ESD 時接收到盡可能低的電壓浪涌。
對于中頻信號和典型的 ESD 脈沖,PCB 走線就像電感一樣,意味著它們的阻抗隨頻率 (ωL) 增加。帶有 TVS 二極管的電路現在如下所示:

線路電感對 ESD 的影響
從上圖中我們可以清楚的看到,當L2>>L1時,二極管會快速觸發。這也意味著大部分電流將被引導離開受保護線路,L2 還將耗散留在受保護線路上的任何 ESD。
這意味著我們需要將 TVS 二極管放置在盡可能靠近可能發生 ESD 的位置。ESD 抑制器連接到線路或地的電感應該最小。ESD脈沖的能量隨著走線長度的增加而降低,因此ESD抑制器與被保護IC之間的走線長度應盡可能長。
5、ESD 源和抑制器之間正確添加過孔
如果 ESD 源和抑制器之間有過孔,過孔也會導致耦合到未受保護的線路。理想情況下,ESD 源和抑制器之間不應有任何過孔,因為它會增加線路的長度,從而導致線路上的電感增加。這有兩個不利影響:
會增加被保護線路中的ESD脈沖能量
會通過 EMI 增加未受保護的線路產生的信號
如果工程師沒有其他辦法,必須要添加過孔,那么就必須要確保保護線和抑制器在PCB的同一個側,且源極在過孔后連接保護線(下圖中的案例一)。
最差的是源線和保護西安在同一側,而ESD抑制器在另一側,必須要避免這種情況(下圖中的案例二)。在這種情況下,最好使用另一個過孔在ESD抑制器之后連接受保護線路,而不是直接將ESD源直接連接到受保護線路(下圖中案例3)。

爭取去添加過孔以減少 ESD 對受保護線路的影響
6、適當的接地布線
在上面的內容中已經有說明,我們需要降低源極和TVS二極管之間的走線電感,將電壓脈沖遠離我們需要保護的IC,在那里我們是假定ESD抑制器具有良好的接地。但實際上,ESD源TVS二極管之間或者TVS二極管和地之間可能存在一些電感,如下圖所示:

抑制器上的寄生電感可以將更多的 ESD 電壓引導回 IC
我們可以通過將 TVS 放置在盡可能靠近信號源的位置來降低 L3。為了減少 L4,我們使用過孔將 TVS 接地引腳直接連接到接地層。如果無法直接連接,則在通往地平面的走線上并聯使用多個過孔。
這樣的話應該讓每個過孔和焊盤尺寸上的鉆孔直徑更大,以增加表面積(以對抗集膚效應)。TVS 抑制器上的接地過孔應填充非導電材料,以保持較大的表面積。